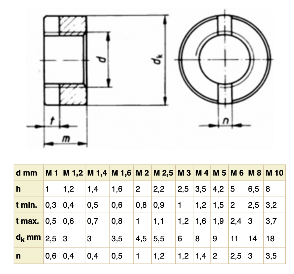
EN: Slotted round nut
SK: Matica kruhová s drážkou
DE: Schlitzmutter
IT: Dado cilindrici con intaglio
ČSN / STN: 021444
You can customize your cookie preferences here. Enable or disable the following categories and save your selection.